Products
Spares & Services
Radford Resources
Photo Galleries
About Us
Radford Resources
Radford LDO3
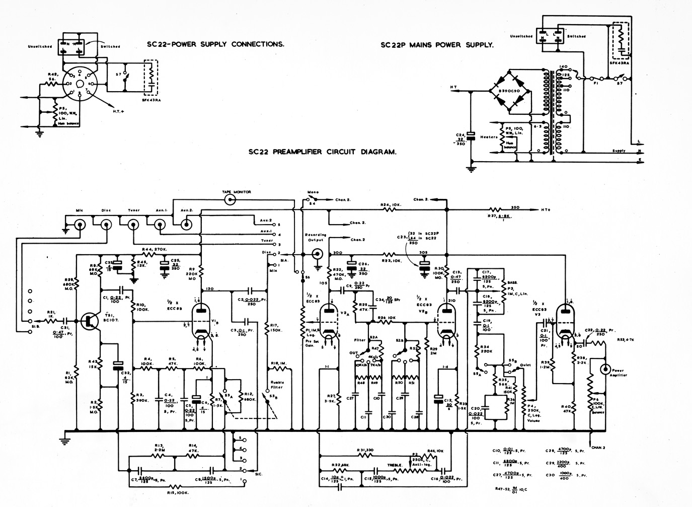
SC22
Series 3 STA15/25
STA25 Renaissance
STA100
TT100
ZD100
SC22